3d科技时尚炫酷设计宽屏桌面壁纸

相关图片

赛博朋克风格#科幻#高清壁纸无水印 #赛博朋克壁纸 #炫酷 - 兑趑

科幻壁纸225

宇宙空间站科幻酷炫手绘插画,艺术壁纸-回车桌面

科幻风格艺术高清宽屏桌面壁纸

科幻壁纸237

随机推荐

十二星座q版简笔画75

王源生日应援粉丝直接源基金打了52000元,好简单粗暴的爱,并且是炔靠

精:分析50个不同行业企业的发展规划,悟出一个企业发展的核心规律!

加拿大26岁女子发烧以为流感结果是败血症每年40w人因此丧命

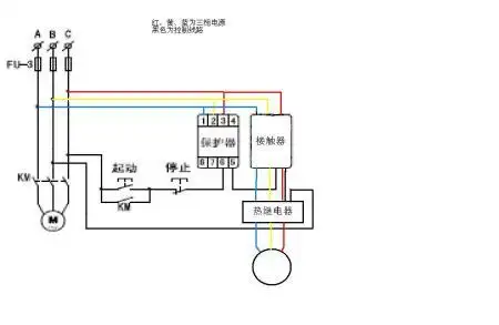
缺相保护器接线原理图

深青色抽象玻璃纹理背景或图案创意设计模板

周子舒不仅仅是老温眼中的光他也成了每个人心中的白月光

2018新款女装冬装连衣裙秋冬款女士长裙显瘦a字裙