雅格yg-3148型可充电手电筒工作原理

相关图片

强光手电充电器原理图,电路板图,实物图

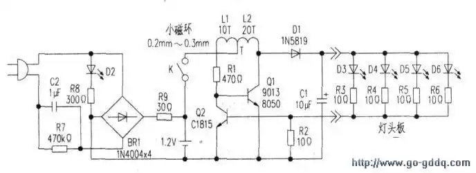
常用led充电式手电筒,应急灯电路图

led充电手电筒充电原理

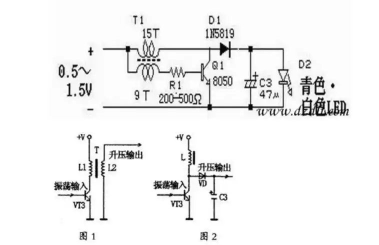
自制led手电筒简单led手电筒电路图

led充电手电筒的改造方法-其他光电实用电路图-电子产品世界

随机推荐

超级好吃的家常荤菜,超下饭,零失败

初音未来二次元美少女电脑壁纸

特斯拉一台车赚47万理想一台车赚8千4蔚来一台亏117万

us台湾三育教育集团是专项从事幼儿教育的全球最大规模的儿童教育机构

户外白色秋千价格

王媛可为了追求她帅气的丈夫,花了整整五年的时间,并最终和他结婚,并

防晒口罩美女 蒙面女系列

魔兽世界9.0矮人新外观 9.0矮人角色新增自定义外观