bldc-2407a无刷直流电机驱动器

相关图片

bl-1212h 无刷直流电机驱动器

bl-1250hs无刷直流电机驱动器-无刷驱动器

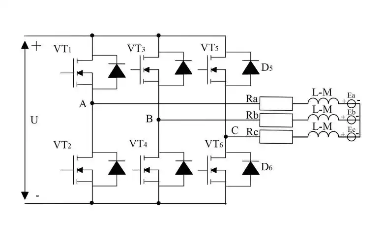
无刷直流电机典型接线电路图

汽车用永磁无刷直流电机设计

mos管在电动自行车无刷直流电机控制器中的应用

随机推荐

陈伟霆的寸头,杨洋的寸头,看到肖战的寸头,不愧是颜值天花板

汪俊他是一名演员,他是一名演员,导演,他最为出名的就是他导演的作品

郭俊辰chali茶里大使##京东超级品牌日##郭俊辰chali茶里大使##年轻

傍晚散步拍腿的好处与坏处 傍晚散步拍腿的好处与坏处有哪些

十二时辰对照表

杨宗纬黄龄惊艳演唱凉凉这场面也就只有杨宗纬能淡定了

个女人愁眉不展家祥说服媳妇刘慧带儿子回家新浪娱乐讯 由辛柏青,黄曼

【物理解读】声音的本质:泛音