防雷引下线

相关图片

浪涌保护器的电气符号是什么浪涌保护器的连接导线长度

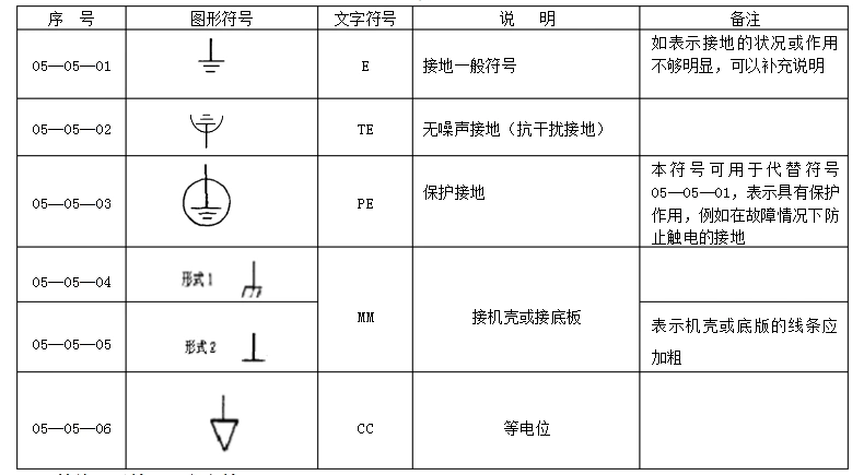
九,避雷器,导线,连接器件和接地的图形符号

电感线圈,变压器续表二,导线,电缆,母线及连接续表续表一,基本符号表

电力系统或建筑物电气装置,设施过电压保护装置用接地线与接地体连接

建筑防雷图例符号_word文档在线阅读与下载_无忧文档

随机推荐

薰衣草 2000 6.7 这部评分不算高,但是金城武在里面美颜盛世.

疑难户型,求大师帮忙设计下客餐厅

严浩翔刻在dna的绕口令

张天爱穿灰色纱裙秀香肩美背侧脸精致手臂纤细尽显好身材

儿媳做大餐为婆婆过生日,被小姑子吐槽难吃,老公:爱吃吃不吃滚

有种"整容"叫结婚后的林志玲,网友:怎么和以前不一样了!

少年企画选择用尤长靖少年感十足的写真来制作歌词海报,引发了粉丝们

图为一个套圈摊位的地上摆放的奖品.