运算电路的基本定义和运算电路经典基本电路图

相关图片

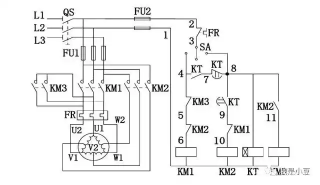
中国工控 |电工实操考核中,最经典的7张电路图(高清收藏版)

电工实操考核中,最经典的7张电路图(高清收藏版)

一个经典的手机电源适配器电路图送给你飞天鹰科技

中国工控 |电工实操考核中,最经典的7张电路图(高清收藏版)

经典电路详细品鉴

随机推荐

2000年11月7日 《jay》2001年9月20日 《范特西》2002年7月19日

tfboys - 堆糖,美图壁纸兴趣社区

tfboys五周年演唱会

16g优盘超清720p都市剧《大嫁风尚》杨紫44集无删减tf内存卡u盘

狗狗头像高清霸气(高级又沙雕的狗狗头像)

纹理烫发

我们选了 霜降牛肉锅,摆盘美美的,牛肉有著粉红色泽,油花与油脂分布

山河令q版头像.