两台三相异步电动机电机互锁,b运转后,a才能运转,不然不能启动.

相关图片

三相三线制电表无零线,用来测量水泵,怎么接线?也不要瓦感器的,谢谢

电器图.

一起学电工〗三相电机自锁电路接线图(电压36v-380v接触器)

三相三线制

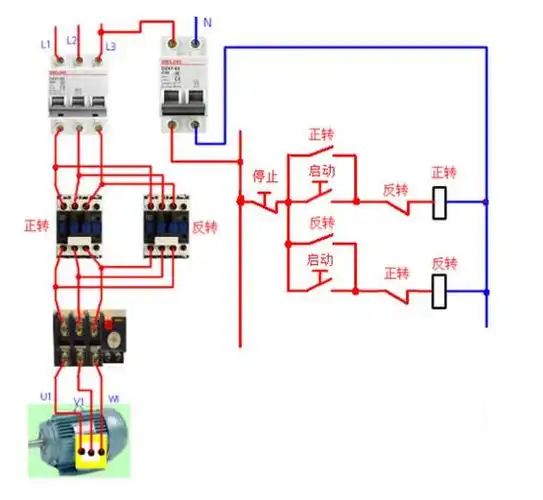
接触器控制三相电机正反转接线,大俵哥最后发一次需要的收藏

随机推荐

2022刘德华澳门演唱会什么时间演出附订票链接

看不到未来的日子我撑不住了

是天空的蓝_风景_poco摄影,小清新,静物,蓝色

不 的笔顺笔画顺序,不笔顺怎么写图1

李沁警服style表演期间双眼泛红手臂颤抖又酷又飒简直a到不行

孟美岐穿白色短上衣 小秀蛮腰清新随性|孟美岐|写真大片_新浪新闻

安徽电视台

又一个柴犬表情包 戏精汪星人堪比狗界影后