七天多段循环定时插座_接线图分享

相关图片

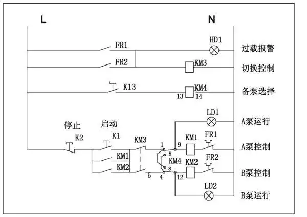
没有名牌,水泵电机怎么接啊?应该是三相异步电机,着急

三相电水泵,接触器,继电器怎么接连在起能自动跳闸

工地上自动控制水泵接线图如何?

三箱电动抽水泵接线图

住宅区地下雨水泵7根线和浮球3根线 如何接线到控制箱,实现手动自动

随机推荐

时间里,聂鑫拍摄了10余部作品:《说出你的秘密》,《欢喜婆婆俏媳妇》

刘德华 #男神 #偶像 #上热门

街边小吃炸鸡叉骨,自己在家做,吃着更放心

民族风情傣族ai写真照一键制作教程.简单三步即可免费制作 - 抖音

铁血雄心:小伙看出队友失恋,没想到朋友调侃他,让他生气不已!

小别离朵朵逃学彩排连累小宇被亲爹满屋打琴琴也被妈妈骂

led瓦楞灯户外防水6w贴片月牙灯 琉璃瓦上瓦片灯古建筑屋顶投射灯

棒的表情包