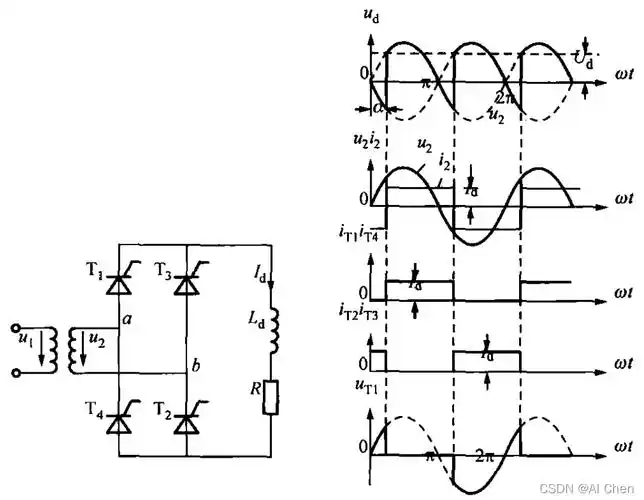
单相桥式整流电路

相关图片

单相桥式整流电路

电力电子技术acdc单相桥式晶闸管整流电路阻性阻感性负载simulink仿真

单相 strong>桥式整流电路 /strong>

单相桥式整流电路的构成与原理

(已结贴)工控求职面试题擂台第三十七期—单相桥式全控整流电路相关

随机推荐

刘梦新发色质感显白越洗越好看的显白发色

近来人气飙升75后男明星十强,张铎沈腾杨子位列三甲

画贩子芝麻 可爱油画风头像三口之家全家福定制

长相玉树临风却输在了个头太矮这6位男星的身高太亏了

庾澄庆还伸手摸了摸哈利的头发,脸上满是父爱的喜悦.

tfboys《剩下的盛夏》吉他谱-c调弹唱谱

绝对首发 孤岛危机3 台风

鞠婧祎表情包