常用螺纹尺寸表(npt-r-公制-)

相关图片

npt螺纹尺寸表

常用螺纹尺寸表(npt)

螺纹规格尺寸表

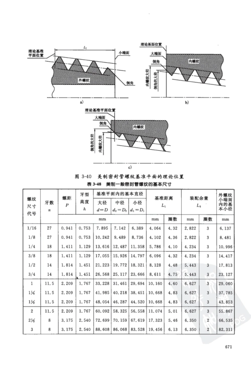
npt美国标准的60度锥管螺纹

螺纹基本尺寸对照表.doc

随机推荐

梅艳芳anita mui的图片,高清图片,海报,壁纸,photos – imdb爱影库

发声靠后会让你的声音更具实力

王俊凯头像王源头像易烊千玺头像

古风写意线描山水线性元素水墨晕染田园风光泛舟江上手绘线性元素

想靠上了热搜的人民赏金app成为赏金猎人?长点心吧 – 博海拾贝

养眼美女夏日清凉性感写真图片桌面壁纸高清大图预览2560x1600_美女

你的名字动漫高清动态壁纸

轻奢风格三居室130平米房子装修效果图-晶城秀府-业之峰装饰北京分