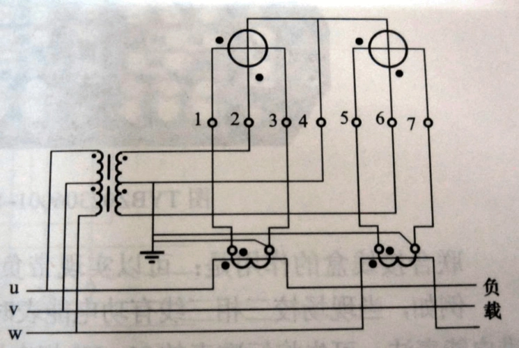
三相三线表配接电流互感器接线原理图

相关图片

三相三线有功电能表直入式接线电路-检测电路

威胜dts3433三相有功电能表接线图

三个6oa电表,合并成三相电,怎样接

广东雅达dsz3366三相三线智能电能表直通式怎么接线?

三相三线制电能表误接线对计量的影响汇总1

随机推荐

淡雅雏菊唯美高清桌面壁纸

刘德华1米74,古天乐1米80,看到合照后,到底是谁谎报了身高?

真人真唱 龙江歌者乔丽娜!唱的每一首歌都是经典!你听!你仔 - 抖音

gtx modern engine 嘉实多 金嘉护 api sn sae 10w-40 (4l)

植物大战僵尸:多向攻击植物,谁能击败150头牛?

张翰的爸妈是谁:55岁李颖自曝是初代国模!

[裸眼3d平行眼]隐藏版3d图,你能看到吗

简直丧心病狂!一大波巨大化后的二次元美少女