网易娱乐_有态度的娱乐门户

相关图片

歌词明明很毁三观当年却迅速爆火的8首歌你都听过吗

从9亿少女的梦变成"噩梦",林更新的没落真的只因烂桃花?

歌词明明很毁三观当年却迅速爆火的8首歌你都听过吗

网易娱乐_有态度的娱乐门户

网易首页>网易号>正文申请入驻> 王蓉和杨迪的分手决定引发了社交媒体

随机推荐

ride or die -蔡徐坤 手绘┊@不做秃头猫.展开全文

素色个人写真大片纯净唯美简单又高级

合肥space酒吧club消费价格攻略夜店top1

高颜值男生最适合的板寸短发型 简约新潮显示帅气度的超短发

江铠同的长相在我眼里是很美的天然无公害的只是没想到

预定 gsc 粘土人 aph 黑塔利亚 奥地利 q版 可动手办

丧系伤感风格男生动漫头像

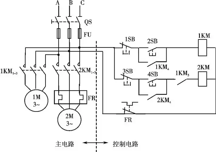
简单继电—接触控制电路