广州市城市更新项目报批程序指引

相关图片

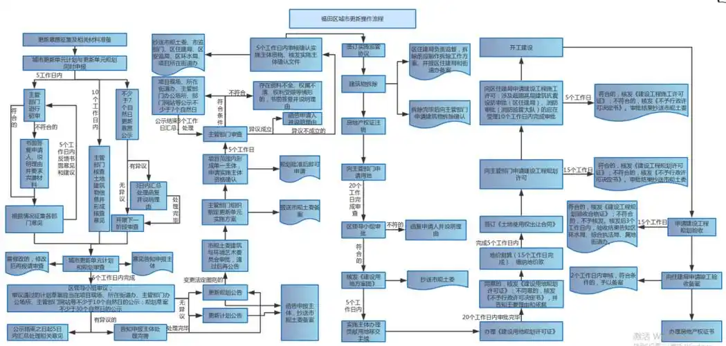
城市更新流程一张图深圳广州佛山东莞市

图4 海南省城镇老旧小区改造工作流程图(参考)(二)拆除重建类城市更新

深圳旧改流程图深圳城市更新流程图深圳各区旧改流程图解

四川省城市老旧社区有机更新规划研究

仲恺高新区市场主体实施旧村庄更新项目审批流程图

随机推荐

王俊凯优雅绅士风高清桌面壁纸

[贴图]tvb香港大部分演员照片,姓名(值得收藏)

9位古装"面具美人"对比,差距一目了然

蓬松凌乱感纹理发型韩式凌乱感纹理烫凌

小鬼王琳凯头像by/我又双叒叕初恋了

运动健身励志海报

从目前的考古资料来看,八角星纹到底表达着远古人类的何种文化感情还

广东省皮肤科自制便宜好用