我是小豆:如何看懂电路图,11个经典电路图实物讲解

相关图片

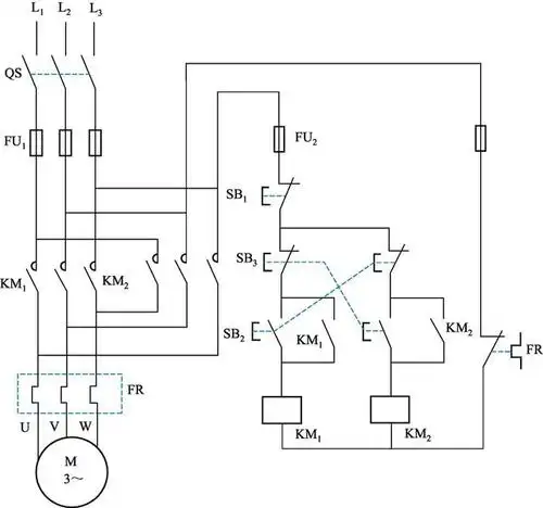
实例分析,如何看懂电气基本控制电路图

水泵自动控制电路图

电工必备:22个经典电路图,不会看电路图的电工不算合格电工

10张图带你看懂自锁电路,手把手一步步看图实物接线

什么是汽车电路图学看汽车电路图的方法

随机推荐

超酷易烊千玺黑白壁纸_高冷酷帅的千玺

女人痣相看婚姻好坏

短寸头是大多数男士都比较钟爱的发型,简单利落还省事.

童话 神奇 魔术 唯美5k背景图片,是彼岸图网给您推荐的高清4k背景壁纸

萌宠柴犬达成共识击掌好的收到gif动图_动态图_表情包下载_soogif

再看"夏雨"尤浩然的"处境",杨紫的话,终于得到印证_小时候_张一山

明星捐款金额曝光,李佳琦500万豪捐,粉丝力压王一博肖战

中国最美花海之一,见证爱情的圣地,不亚于婺源油菜花海