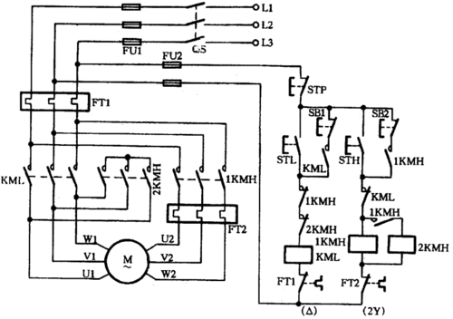
三相电动机双速2y_接法调速电路设计

相关图片

yct系列电磁调速电机滑差电机纯铜线国标调速三相异步电动机马达

ss-22型调速器,分体式调速器

电机调速器工作原理以及接线图

单相电机调速器原理图单相电机调速方法

接触器控制的双速电动机调速电路

随机推荐

女头高清唯美可爱头像可爱唯美图片头像女

容祖儿-长大

幼儿教师最喜欢的幼儿蜡笔范画(一)

nov166手帐生日气球蛋糕简笔画

新奇有趣上弦发条上链白色幽灵可爱小精灵万圣节圣诞节小礼品玩具

美白补水护肤品排行榜.美白和补水是护肤必备的2件大事,美白做 - 抖音

嘉闵线什么时候开建嘉闵线最新消息规划线路图已出

阳光干净男生侧面头像暖男帅气侧面图片发几帅哥微信头像 不要太非