求48v2a电动车锂电池充电器箭头所指电阻值多少

相关图片

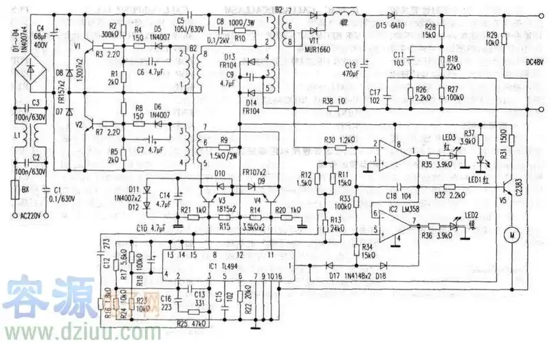
48v电动车充电器电路图

48v电动车充电高清电路图与原理详解

电动车充电器维修 电动车维修技术 铅酸蓄电池充电器 电动自行车电路

电动车充电器电路图- 假装,放弃的日志- 网易博客

48v电动汽车充电器原理图

随机推荐

">beyond /a>成员 a target="_blank" href="/item/黄贯中/141768"

bvlgari宝格丽项链回形针

中国首位世界小姐张梓琳:模特界的璀璨明珠与公益事业的积极推动者

求棋魂的真人版壁纸时光俞亮褚嬴何嘉嘉的我都要啊

腹肌腹肌.不会画这种东西.画师真厉害.#每日一幅,简笔画

下一站,地狱

除夕夜100个最美烟花送给你

蓝天白云大海天花图片