led时钟电路图(只需要实现功能就可以,不需要别的任何条件,学生,做

相关图片

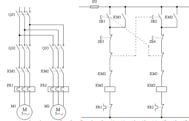
电工必懂的7张电路图全看懂的给你点个赞

柴油发电机控制屏控制电路图一

比较典型的机床电路

双速电机用转换开关控制接触器正反转电路图

五通电磁阀亮个磁性开关继电器控制气缸再a,b两点做往返运动求电路图

随机推荐

回顾 被传与胡歌秘密结婚,被经纪人怼混得差,王晓晨经历了什么

【1080p 60帧】你的名字动态壁纸 纵享丝滑(电脑版)

给大家带来一组我最喜欢的头像马超超话#王者荣耀

刘雯时尚芭莎七月刊封面##刘雯一眼心动芭莎大片

男生动漫头像#超帅# - 抖音

女主中短发脏辫 超a发型有个性_时尚发型 - 美发站

邓英

火车轨道怎么画?教你简单铁路铁轨的画法技巧