蓝色卷起海浪海洋纹理

相关图片

蓝色海浪底纹线性蓝色线性海浪底纹背景世界海洋日

波浪质感纹理蓝色旅游海报背景

2189海浪纹理纹路背景墙两款浮雕精雕jdp灰度bmp格式木雕图

蓝色波浪海浪矢量背景底纹曲线波纹背景

花纹国潮装饰海浪底纹海浪线条海浪纹海浪祥云海浪纹理海浪纹路手绘

随机推荐

男生盖盖头镂空两侧发型图片刻痕更帅

张卫健老婆气质好穿礼裙身材微胖有名媛范越看越有夫妻相

「娱乐明星」2021加拿大10大美女

祝大家一夜暴瘦

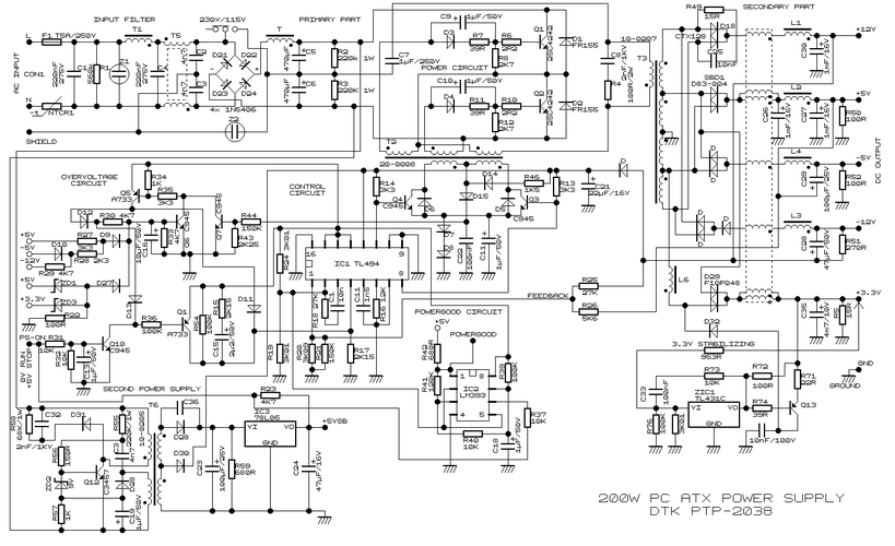
电源电路原理图_超声波电源电路原理图-正华文库

伤感男生头像落寞孤单

美人不迟暮!王姬 的图集

体智能课——《指压板》游戏