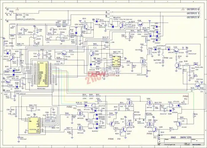
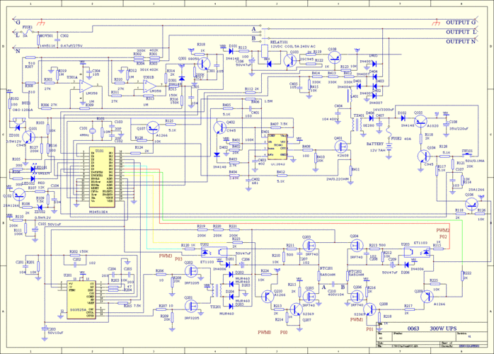
300w ups电源电路

相关图片

ups不间断电源原理

ups线路图 --电子电路图--电子工程世界

山特ups电源电路图

ups500w的电路图2

sendon ups-1000后备式方波输出ups电源的辅助电源及充电控制电路

随机推荐

清新可爱纯色卡通风格电脑桌面壁纸

杨钰莹终究是老了,在美颜下看似年轻,但身材多少还是有点暴露了

杨千嬅穿着连身裤展示了他的矩形肩膀,身材苗条,身材高大,比例完美

一指禅推法

"玛丽苏公主"刘品言:与彭于晏组仙剑最甜cp,却因身材发福退圈

教你折纸好玩的awm玩具纸枪,有了它就能在家里玩射击游戏啦!

南通大学111周年校庆# 巍巍通大 栉风沐雨百十一载 生生不息 作育

敬平(jing ping)锁具 jing ping牛头锁老式门锁牛头牌门锁外装门锁