gta5游戏最新mod高清精美电脑桌面壁纸下

相关图片

侠盗猎车手5 风景图片,4k高清游戏图片,娟娟壁纸

gta5特效全开场面有多吓人

侠盗猎车手5:gta 5 4k超高清壁纸和背景图片,高清图片,壁纸 - 天下

《gta5》pc版再次公布一批4k截图,另外公布配置要求(手机党请勿进入)

gta5150超长长长长长长赛道直线加速支持141150版本覆盖版

随机推荐

同一个人的照片,照好了和没照好能有多大差距?

严浩翔

二婚带儿子嫁小6岁的影帝张译今18年过去才知道她嫁的有多值

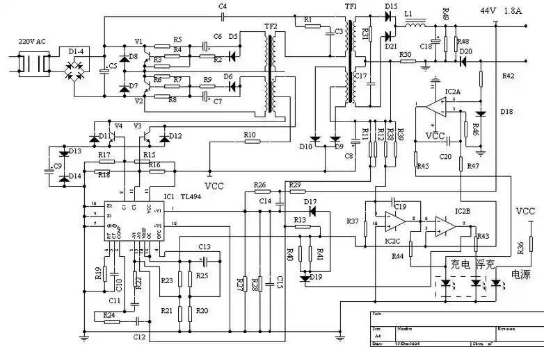
免费文档 所有分类 工程科技 电子/电路 电动车充电器原理及维修(下).

《我的英雄学院》的轰焦冻

欧美男头萌娃系列 #头像# #头像分享# #可爱头像# #男生头像# #头像

五款乡村别墅户外庭院假山鱼池景观设计图片欣赏

不符合特别护理内容的是 - 护士资格练习题 - 百题资料