无忧文档 所有分类 工程科技 电子/电路 几种电压力锅的原理与维修

相关图片

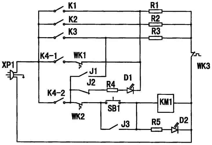
高压锅电路接线图

涉及一种智能化电热锅,包括锅体,锅座,电热管加热装置和电路控制装置

电路中,st1,fu分别是限温,超温保护元件.当锅内空烧或超过设定温度时.

苏泊尔电压力锅c丫sb5ofd9一1oo电路图

电饭煲的电路如果是普通的电路是最简单的,对于一个合格电工来说相对

随机推荐

迪丽热巴人美又会穿,一袭宝蓝色丝绒长裙高贵典雅,高级时髦_腾讯新闻

胡冰卿否认与张铭恩恋情,胡兵却上热搜,传绯闻还能被混淆了

人群在音乐演唱会观众兴起的手

可爱3d卡通人物手机壁纸

杨超越 大长腿 高跟凉鞋 美jio[爱你][爱你] 676767

祺鑫 马嘉祺 丁程鑫 - 堆糖,美图壁纸兴趣社区

罪域:李大鹏突然遇害,刘东方察觉其中有问题,有人想杀人灭口

是喜欢的漂亮女孩子