功放电路图

相关图片

rotelrb1090专业功放电路图

求音质极佳的后置功放电路图

ddx-2100型数字功放电路

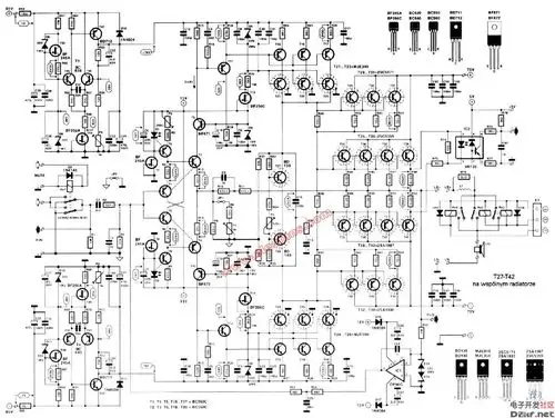
功放电路图

[diy制作] 音乐传真a1前级放大倍数修改.

随机推荐

能驾驭粉色系头发的颜值都很高灿烈的这个发色也是绝了!

情侣可爱情头一对超可爱图片 最新微信2023卡通情侣头像大全

全新红旗h5,降至13.98万,轴距2920mm,配1.5t 7dct,值不值?

出戏,配角演技惹争议|范闲|金晨|郭麒麟|第一季|实力派演员_网易订阅

经典动漫卡通壁纸分享,圆你一个动画梦

有机化学反应式真心不会,跪求大神帮忙.

超级新品 新款口罩蒙面大口罩防晒紫外线夏季薄款升级全包围

正能量强化思想认识适应新常态增强服务本领努力学习业务知识时刻牢记