co2mig250单管igbt焊机的电路原理图免费下载

相关图片

机械/仪表 krⅡ气体保护焊原理与维修 唐山松下kr系列co2气体保护焊机

焊机电原理图讲解

nbc-250 抽头式二保焊机diy (一)抽头式二氧化碳焊机的几大特点 1

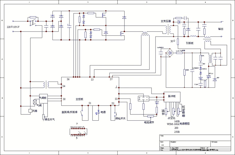
新提醒co2mig250单管igbt气体保护焊机电路原理

图片合集逆变焊机电路图wsm-200逆变氩弧焊机电路原理图

随机推荐

亲戚几年前从非洲带回来的虎牙,是真的吗?值多少钱?

荷花衍纸【5】

街舞海报

苹果光线背景

丁一凡:一般来说经济战有四种手段,美国迄今用了哪些?

男士短发锡纸烫

上衣卫衣衣服手绘创意矢量图png素材透明免抠图片-卡通手绘

已开票贵阳大剧院2020第一场儿童音乐剧卖火柴的小女孩拥有奇迹儿童