张子枫美图

相关图片

张子枫写真美图:清新脱俗,美丽动人

张子枫氛围感唯美图片永远温柔永远美好

张子枫精致少女感优雅写真图片59

张子枫美图

张子枫美图

随机推荐

女生背影头像#唯美温柔的女生头像 抖音搜索【神图壁纸】输入 - 兑趑

动物会模仿人类打架吗?饲养员要不要劝架?一本正经的科普来了

许昌儿童街舞培训去哪里/欧拉街舞培训

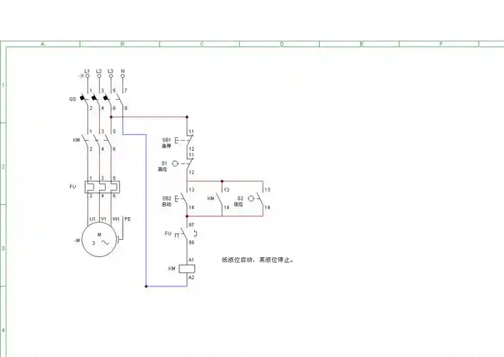
工地上自动控制水泵接线图如何?

黄明昊超话94#黄明昊justin篮板青春#「饭修证件照」#夏日限定(inst

内娱出了名的8位"傻蛋帅哥",人均800个心眼,却没一个是实心的

民航飞机起飞跑道照片图片

男士定位烫