用分立件做简易锂电池充电电路

相关图片

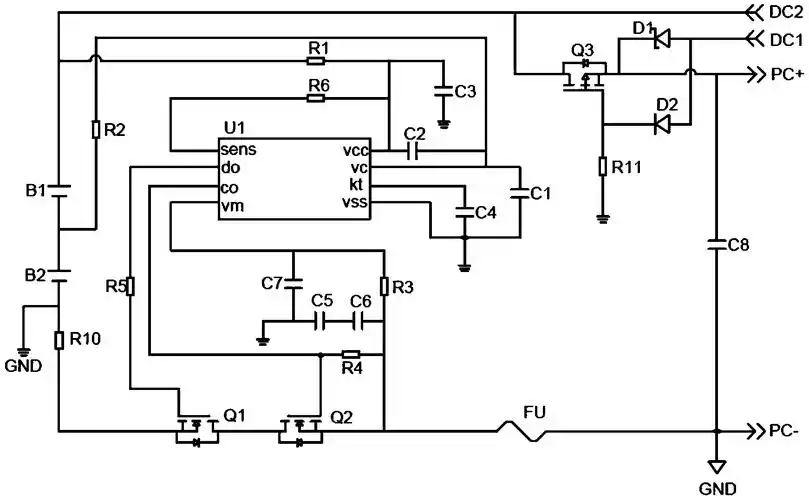
一种锂离子电池电路

电化学电池的randles等效电路

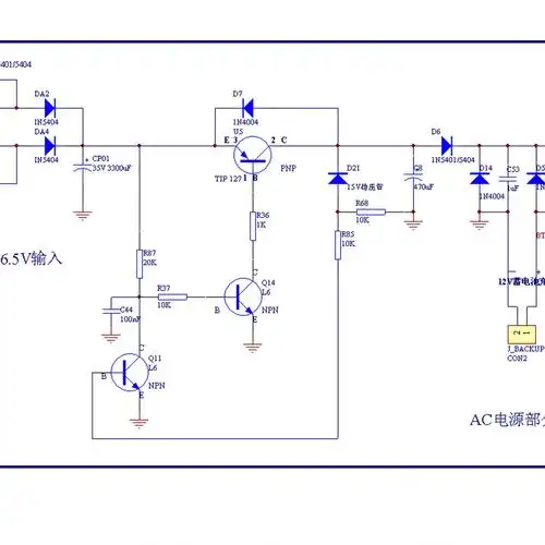
12v铅酸蓄电池充电电路图问题请各位大侠帮忙分析一下

4-3,锂电池降压输出电路

四个锂电池供电电路设计方案详图解析

随机推荐

分享4道超好吃的家常菜合集|||马上也要过年啦,记得收 - 抖音

"张艺兴橙光2p - 堆糖,美图壁纸兴趣社区

李靖夫人怀哪吒多久李靖又不是皇帝哪吒为什么会被封为三太子

4岁胖墩睡梦中去世! 0-7岁宝宝正常身高体重标准

王一博黑白氛围感大片曝光 挑染长发搭配爵士帽精致贵气

科目一考了89 我真的要疯了这已经是第二次考试了居然考了89分我要疯

温客行穿衣经06: 雨夜紫——仙风道骨,书生意气

古天乐皮肤再黑也无法掩盖他的帅气