华工王师 团队朝颜_林西2015-08-04 08:34 1,就是筏板可以在上

相关图片

平板式筏形基础设计方法分析(pdf,11页)

经典筏板基础基础施工方案1

筏板基础,基坑

筏板基础ppt29页

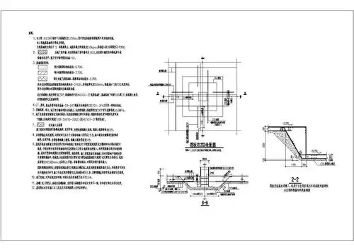
某住宅小区筏板基础设计节点构造详图

随机推荐

《斗牛》电影解说 一人一牛讨生活,黄渤展现影帝级的表演 爆赞

黑白花瓶,简约装饰 9797.我的新宠来啦!默兰黑白花瓶,现 - 抖音

冯小刚直言:她太能装了,永远红不了,更别说拿奖了_苗苗_冯导_陈道明

tfboys青春一直会在十年我等

网红|鞠婧祎|娱乐圈|孙一宁_网易订阅

古风动漫女生头像 古风动漫女生头像

好酷的发型和耳夹 杨丞琳南昌演唱会新造型, 很时髦的一身,连发色都有

职业女性全身照