蒋欣:影视界的璀璨明星,演技精湛,魅力四溢 备受瞩目的女演员蒋欣,以

相关图片

女星蒋欣图片集锦

知乎宝藏 的想法: 蒋欣,中国内地女演员 | 蒋欣 br>1983年5月8日出生

蒋欣个人资料(蒋欣与叶祖新分手7年都未婚单身,但人生现状大有不同)

40岁无人敢娶的蒋欣 蒋欣,一位备受喜爱的当红演员,40岁无人敢娶,原因

蒋欣#

随机推荐

杨幂的卖萌嘟嘟嘴剪刀手"六连拍",元气活力满满,美成少女

高清动漫卡通壁纸分辨率2560x1600

webshots,2012年,五月,精美,风光,动物,摄影,宽屏,1080p,壁纸webshots

《星辰大海》简谱 钢琴谱 98一望无际的大海上面繁星点点 .

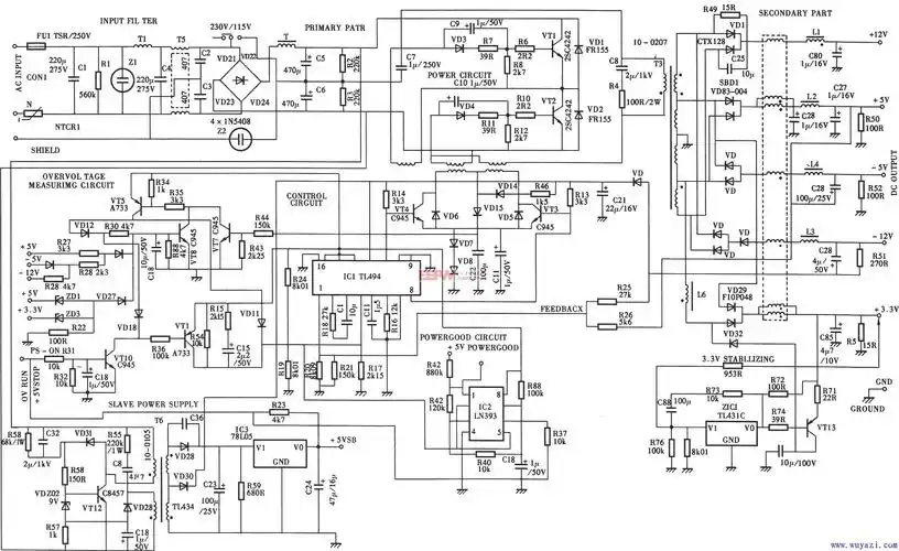
200watx电源(tl494)电路-开关稳压电源电路图-电子产品世界

何青的辅警警服 宁波警方供图

陈志朋首唱会造型辣眼

奥康2024夏季男士真皮凉鞋男镂空透气洞洞鞋男手工缝制休闲皮鞋