从前的风格怕是等不来了

相关图片

其它 yurisa 写美篇 阅读 6 投诉文

yurisa

yurisa清纯美女桌面壁纸_精选多张yurisa清纯美女漂亮

yurisa

转载自百家号作者:信不信

随机推荐

文字控励志高清桌面壁纸 第一辑高清大图预览1920x1080_设计创意下载

宋亚轩手上的同款痣爽死谁啦

易烊千玺日系街拍写真释出!

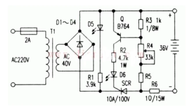
电动车充电器电路图

韩宝仪酒吧驻唱变乐坛皇后三百万人的偶像巅峰时隐退嫁粉丝

为何以前红霉素软膏很有效,现在不仅没效果,还让自己变成了激素脸?

s11赛季装备更新一lol新赛季装备系统全面解析

一家三口,四口之家漫画头像,个性头像设计