青岛海底世界暂停开放

相关图片

data-lemmaid="14076862">海底世界 /a>位于青岛 a target="_blank"

夏日清凉亲子游,走进青岛海底世界,和鲸鱼面对面,探秘海洋秘密

青岛海底世界

游玩青岛海底世界,认识自然,了解自然,深爱大自然给予我们的美和它

青岛海底世界浅观

随机推荐

菲奥娜法式八字刘海假发女头顶补发片自然无痕中分刘海真发假发片

细茎针茅

杨洋郑爽再续前缘微笑夫妇合体有望网友听名字就是大制作

最全调色表

陈慧娴/ 八十年代末至九十年代香港最强女歌手,巅峰期可能是遭受打压

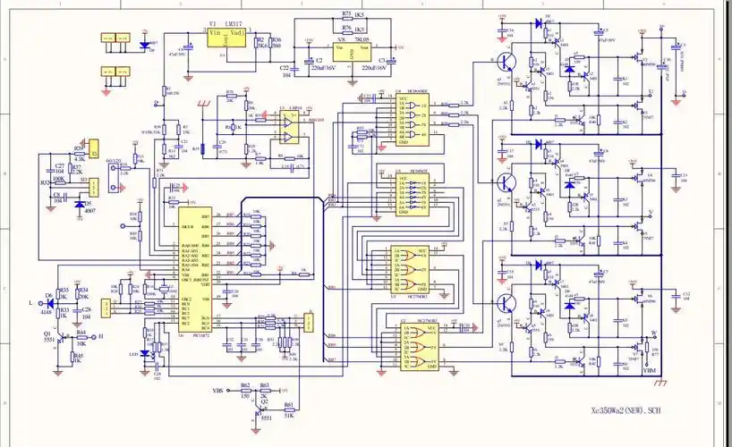
采用pic16f72单片机控制直流无刷电机的电路原理图

杨颖胸部有多大图片(angelababy不愧是顶流) - 赤虎壹号

一个人重新开始的图片 丢掉过去重新开始带字图片_微信头像图片大全