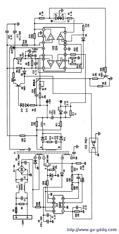
汽车12v电瓶充电器电路图

相关图片

铅酸蓄电池充电电路

蓄电池充电器电路图 63 2013-11-24 锂电池充电电路 3 2010-08-05 锂

菜鸟求简易实用的12v汽车电瓶充电器原理图

tl494电动车充电器电路图

山特c2k不间断电源(三)蓄电池充电电路

随机推荐

盛世美颜,香港第一美女李嘉欣:时光美人的传奇之路

开心gif心情很棒呢gif

所以,后天八卦的太极图跟先天八卦的阴阳鱼是相反的,右边是阳鱼,左边

猜猜看这是创4的谁

粉粉的卡通减肥壁纸壁纸

[陈伟霆][分享]190129 侧颜棱角分明 伟霆帅到窒息

熊英·盖娅传说2022春夏系列"乾坤·方仪"发布会在京举行_中国经济网

繁体字老图片:《关汉卿像〈彩墨〉》(作者:李斛)