小吊机好用!用的频率高了,就会出小问题,今天总算搞清楚接线原 - 抖音

相关图片

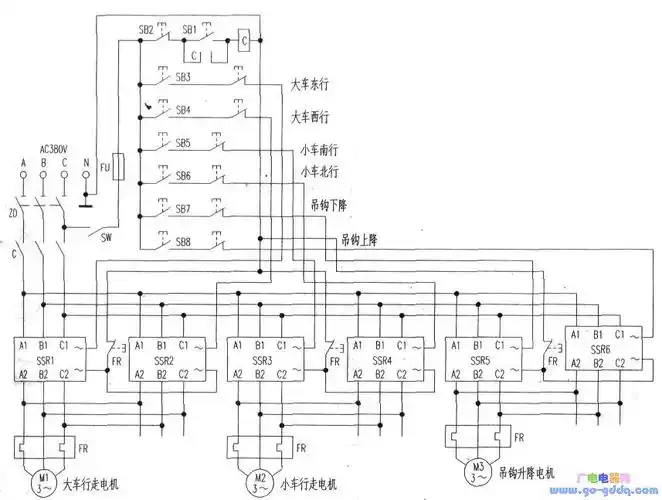
电葫芦吊机电路图

雄象牌微型电动葫芦 220v家用电动起重葫芦 小型提升机小吊机

如果没有小车下面km3,km4接触器不要接线.

小吊机上下开关接线图,电葫芦接线图实物图,吊机手柄开关接线图,220v

小吊机开关4线接线图,小吊机升降开关接线图,小型起吊机开关接线图

随机推荐

章子怡在戛纳电影节上眼眶泛红,泪水在眼里打转,引网友热议

陈松伶年轻时太美了,唱歌也厉害_高清图集_新浪网

韩国男明星图片大全帅气壁纸(韩国男明星图片大全帅气排行榜名字)-第1

周杰伦【七里香】 mv专辑合集 修复版

郭靖杨旭文射雕英雄传剧照

王者英雄头像韩信2红头发帅哥我prprpr

比基尼美女王晓晨vs王维维, 《我的! 体育老师》张嘉译前妻这么美!

陕北民歌新秀|悲腔歌者|原创音乐人—刘妍