黑白,黑白,大叔,型男,欧美范,手机壁纸成熟的男人最可爱

相关图片

成熟男士适合用什么手机壁纸

成熟老男人的背影

六叔余文乐手机锁屏壁纸 余文乐,明星帅哥,型男,成熟男人,演员

成熟男人壁纸分享‖救命啊,叔圈顶流

有没有那种看起来舒服又显成熟男生用的壁纸锁屏

随机推荐

还有"新春鱼灯"免费领哦最最重要的是,#易烊千玺#"小北"蜡像也在这里

18 写美篇东浒寨风景区位于赣,湘,鄂三省交界的修水县征村乡潭坑村

黄磊《家》中演大哥 诠释封建家庭下悲剧爱情

这里的男女都有一口尖牙 来到这个地方的人都必须将牙齿磨尖

这期王一博笑容真的甜!"天天兄弟"感情真的好!

p站搬运工——碧蓝航线(柴郡)

王一博电影热烈海报#王一博breaking定格的姿势出现五次7015p1是

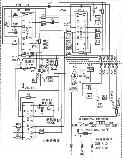
美的mb-yc50a型电饭煲电路的设计