三相异步电动机手动正反转控制电路

相关图片

三相异步电机的基本控制电路

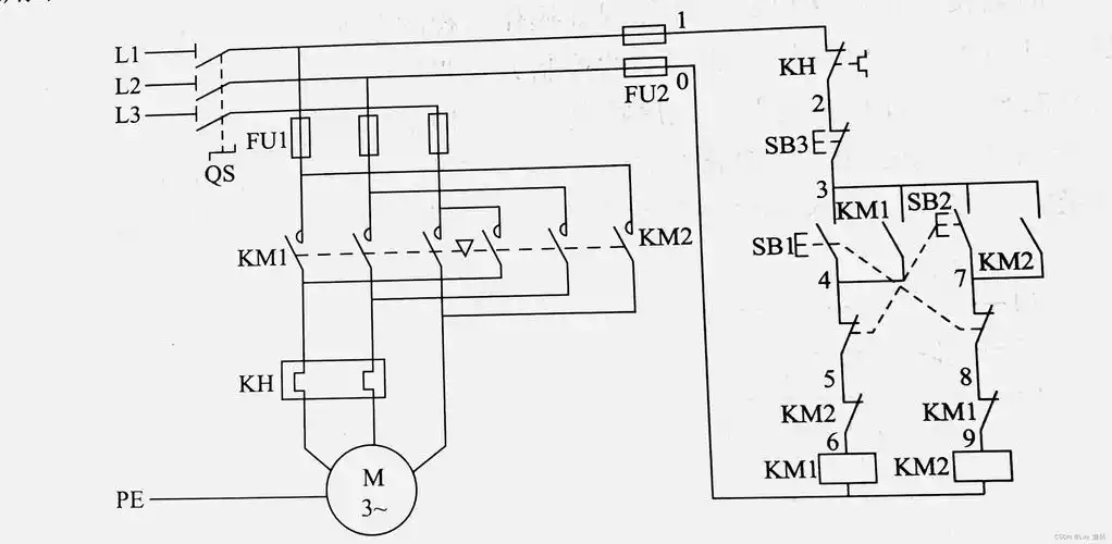
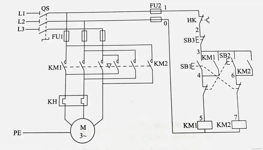
三相异步电动机正反转控制电路图

三相异步电机自锁正转控制电路图 - 电子方案资讯_我爱方案网

三相异步电动机正反转控制电路图-电子发烧友网

一种三相交流电机的启动电路

随机推荐

皮卡丘儿童画 可爱的皮卡丘卡通画 精灵宝可梦

《芳华》:子辈再现父辈青春,八九零后还原五六零后(图)

考古国超成名前的照片,洗剪吹时期的任嘉伦,你认得出吗?

海伦凯勒眼镜邓伦终于配眼镜了丨海伦凯勒眼镜邓伦

项 心肌指标二项 血常规五分类 拿了一些药 氟哌噻吨美利曲辛片

吉克隽逸——中国内地彝族流行乐女歌手

歌手郭峰的"销声匿迹",是整个乐坛的损失和悲哀

姚琛