技术交流 | 楼梯踏步节点做法

相关图片

▼下图是踏步石材开料示意图(石材厚度15mm),根据cad得出踏步面板的

楼梯踏步的高与宽构成的直角三角形,与楼梯底板和其水平投影所构成的

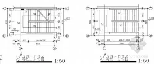
标准的旋转楼梯施工图——4步轻松画出来!_平面图_推敲_进行

楼梯设计与尺寸计算

5 踏步验算 6 上平台板验算 7 下平台板验算 单跑钢楼梯计算 钢结构

随机推荐

q版博君一肖 - 堆糖,美图壁纸兴趣社区

寸头校服体育生专业户!183cm中传校草,又奶又欲的王安宇

女生笑得很开心很甜的头像

启程2021

零基础小鬼王琳凯手绘绘画

尽管吴谨言以168cm的娇小身高在娱乐圈内显得较为标准,但她的体重却

海滩外景:景色独好,风光无限,让人心旷神怡

宁静高清,创意百家姓微信头像,很美,喜欢的朋友留下你的名字