厨大煌电热锅 新款多功能韩式电热锅 聚能养生锅批发 跑江湖必备

相关图片

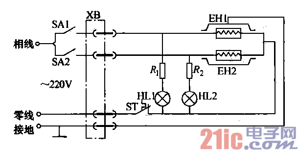
电炒锅电路

高压锅电路接线图

美的ch60型自动电压力锅原理分析

炒锅_电路

千益cqf3b多功能电热锅电路图

随机推荐

高山流水遇知音,是她们一生的渴望水瓶座的婚姻水瓶男在25岁前后35岁

小清新绿色护眼花卉植物图片桌面壁纸高清大图预览1920×1200_植物壁

80后农村童年回忆80年代的农村样子回忆童年图片

《热血枪手》开播,陈龙印小天主演,美女谍战,加抗日枪战-娱乐视频

靳东第三次东方跨年 致敬偶像深情演绎靳歌金曲

多人海边互动模板素材 __这个夏天一起去看海吧

海滩海洋热带景观高清壁纸高清原图查看

也将被同样观看了死亡录像带而与山村贞子产生通感的安藤满男所窥见