雪景脚印简笔画

相关图片

卡通羊驼脚印黑白简笔画素材

羊,牛,袋鼠,蜥蜴的脚印

小动物们的脚印简笔画

旅行的脚印简笔画

小动物脚印的简笔画

随机推荐

裤子显得整个人都很慵懒和剧里的霸道总裁气质真的很不一样呢"肖战

黄明昊自截头像

万圣节系列三|可爱幽灵合集1|简笔画教程.万圣节第三弹99, - 抖音

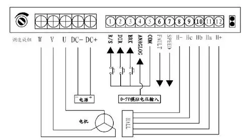
bl-1212h 无刷直流电机驱动器

草原的月亮

温柔甜美显白冰透腮红晕染渐变美甲

佟大为娶初恋为妻婚后连生3胎一家五口其乐融融