电饭锅有根线不知道接哪,求大神指教,在线等

相关图片

求一个普通家用电饭煲电路图

新飞电饭煲新飞电饭锅商用大容量食堂饭店工地570人老式超大号电饭煲

美的电饭煲电路板ebfch48a7还找到类似电路图了

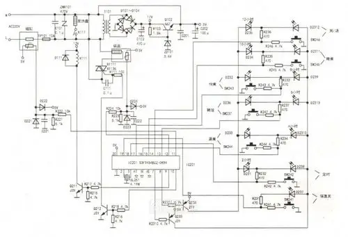
三洋电饭煲维修三洋电饭锅电路图及原理

电饭煲控制电路及工作原理

随机推荐

韩国人眼中最帅的10位中国人眼光跟我们大不相同你认识几位

江疏影穿黑色西装配微喇长裤拍写真,知性大方,女神范儿十足

男头像霸气高冷漫画 帅气的炫酷男生头像 霸气 冷酷_男生动漫头像

还有人记得魔兽争霸里的牛头人大酋长凯恩血蹄吗

青梅恋洞箫简谱

超强力布双面胶 高粘性网格布基双面胶带 透明地毯胶 防水无痕胶带

幼儿晚间活动简笔画

卡通男孩女孩