[导读]27幅电饭煲系列电路图,仅供参考学习!

相关图片

苏泊尔电脑控制型电饭煲不通电故障检修

为什么电饭煲一接通电源,没按煮饭是保温状态呢,按照电路图上的话

电饭煲电路图及其原理讲解

电饭锅用煮粥模式煮过久后 家里漏电开关跳了 电路

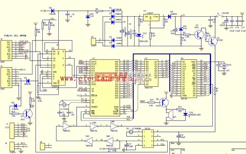
电饭煲的电路图大全

随机推荐

一周不重样短发女生必备的人气编发look

数说国潮丨人气旺消费热演出市场焕发新活力

回顾闫学晶与林越离婚12年,她嫁神秘富商生女,他三婚娶小娇妻

林彦俊帅气明星写真抖音流行的壁纸

into1今日份营业!全员帅气值超额完成#鹅创剪辑大赏 第二阶段

美女留这么长的指甲,是要练绝世神功啊

台湾甜心教主的试爱之路:杨丞琳和她的七个男人

北京市第十四中学19级短袖套装金鸟校服学生校服