求如果加只浮球调去自动时低水位时水泵自动启动,高水位时停止,请问浮

相关图片

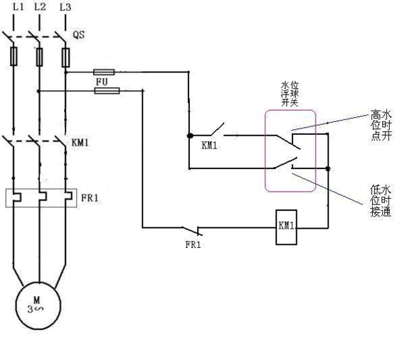
浮球手动与自动接线图浮球工作原理

浮球开关自动控制排水系统接线方法

陈坚道老师你好?一个浮球阀控制两台电机轮流启动运行,实物图

浮球耐压750v,都是一长开一长闭,直接接入单项水泵电机,用于水箱自动

用一个浮球阀和一个交流接触器自动控制两相水泵接线图

随机推荐

双刊号知网收率cn期刊机电工程学术论文发表机电工程学术期刊杂志

【tvb】【大时代】蓝洁瑛×罗惠玲大时代 罗惠玲剧情线剪辑 蓝洁瑛

《天龙八部网游》人间烟雨何其多,宁做我

当母亲节邂逅世界微笑日 广西易地搬迁小朋友用笑容表达爱意

p>oppo a115是一款直板手机, a target="_blank" href="/item/电池">

真人头像男生帅气文艺高清图片气质不凡的男生个性超酷图片大全

组图:刘德华出席第35届金鸡奖创投大会 穿休闲装侧颜优越状态好_高清

【超清】一组超可爱的福宝写真(可做ipad壁纸)