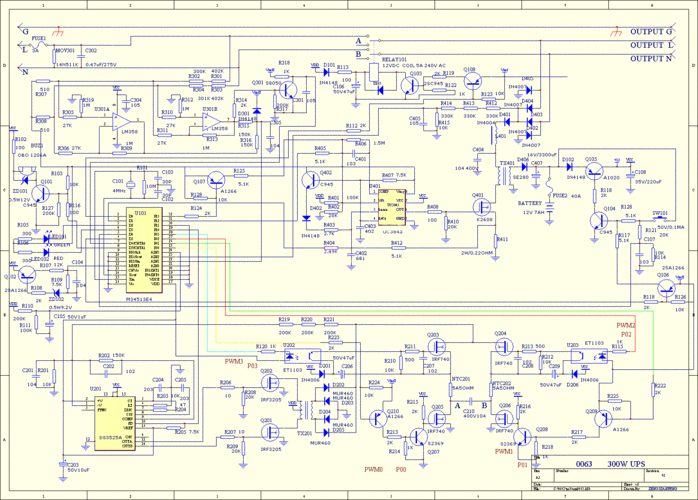
ups不间断电源并机系统图

相关图片

某园区3个机房的ups电源及环境集中监控项目方案

科华恒盛ups在整体机房高效节能的解 - 电源设计应用 - 电子发烧友网

ups不间断电源原理

不间断电源(ups)设计思路探讨

ups系统中的电源解决方案

随机推荐

嘟嘟嘴肖战

易烊千玺后脑勺系列后脑勺也在散发可爱迷人魅力@tfboys-易烊千玺#易

林志玲还是以前好看穿深色星空裙优雅又甜美挂脖设计俏丽迷人

蔡徐坤说今晚见今天的黑白套装加金丝眼镜造型好帅呜呜呜

周末推番动画神雕侠侣二次元也可展现金庸的侠骨柔情

10月25 简约白色插画锁屏壁纸原图更新 自取不谢!

组图:《一路惊喜》金依萌凤小岳赵丽颖做客_高清图集_新浪网

[ 叶罗丽 ] 灵犀阁成员 ~ 时间之神~时希