[分享]水泥混凝土路面配筋设计解析

相关图片

05mr202:城市道路-水泥混凝土路面

[分享]水泥混凝土路面节点详图资料免费下载

连续配筋混凝土路面设计图

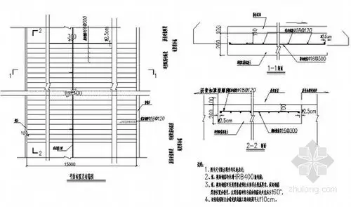
箱形构筑物横穿道路处水泥混凝土路面面层配筋图

砼面板结构配筋图

随机推荐

零度以下白百何也敢全身上下只穿一件西装,难怪冻到腿都拧在一起

水墨古风风景意境头像_微信头像_我要个性网

正月十五,一起来蔄山感受浓浓年味儿_威海_群众_路口

抖音休闲潮牌中长上衣连帽宽松甜美小个子iu卫衣

回顾刘亦菲宋承宪这段情,一厢情愿的爱情,注定无法长久

apple手机充电器apple 20w usb-c手机充电器插头 线报价_参数_图片

q版稿件小鬼王琳凯

蒙面唱将猜猜猜4一口吃不成个胖子是谁韩甜甜个人资料介绍