其振荡频率由555的②⑥脚接的33kΩ电阻和10nf电容决定

相关图片

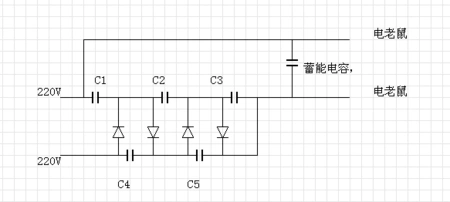
常用电鼠器的电路结构使用及改进

有那位同胞知道最简单的电老鼠方法,最好附简单电路图,万分感谢了!

桥式整流二极管vd1~vd4,滤波电容器c4,c5和三端稳压集成电路ic2组成

电动捕鼠电路图

电鼠器制作电路图

随机推荐

时代峰峻回应tfboys很少合体#喜欢p1路人的评价,王俊凯就是帝国王冠

58岁郭富城玩赛马赢得第一,获得百万奖金,紧搂娇妻方媛激动大吼

六人宿舍毕业照姿势分享鲁东大学

【曾舜晞*陈钰琪】当着大家的面你好意思吗?

帅气肖小猫 #q版人物 #宇日俱曾 #肖宇梁曾舜晞 #画渣日 - 抖音

阴天的颜色.#女生帅起来 #寸头 #少年感 #阴天 #短发 - 抖音

平生最恨帅哥戴眼镜范丞丞头像dt抵制-堆糖,美好生活研究所

迪迦奥特曼