逆变焊机zx7-315逆变焊机电器维修原理图zx7250电焊机3525管有什么

相关图片

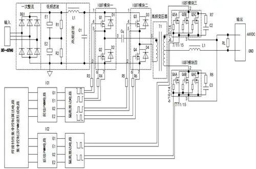
cn213318232u_一种前后级双重控制的高性能逆变焊机电路有效

松下气保焊机与机头连接电路图

电焊机电路图

焊机电原理图讲解

弧焊机电路图

随机推荐

多彩壁纸717期|易烊千玺拼接壁纸 高清壁纸无水印

文章的老婆,文章的老婆叫什么名(为电影卖力宣传遭吐槽)

[消息]蔡徐坤国庆音乐会造型照公开 端正俊朗又不失少年朝气!

宽屏清新蓝天白云与鲜花精美壁纸

组图杨阳洋幼儿照曝光锅盖头造型继续萌翻天

胫骨骨折术后部分皮肤坏死

次世代 卡通 恶魔之王 炎魔 地狱恶魔 半身像 恶魔领主 二次元 动漫

歌手刀郎十年磨一剑,刀郎在2023年发行的新专辑《山歌寥哉》,其中收录