doc 1页

相关图片

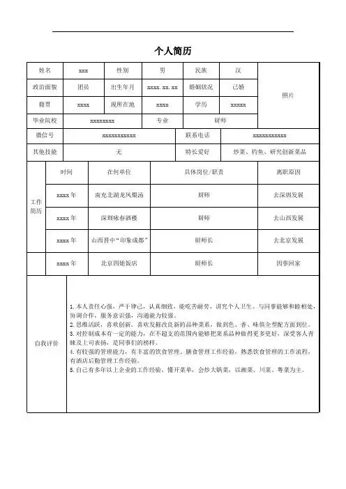
政审表填写样板.doc

政治面貌搞笑填写 政治面貌搞笑填写:清白,贫农,平民,好人,瓜子脸等等

个人简历 姓名 政治面貌 籍贯 毕业院校 微信号 其他技能 时间 xxx

其中"政治面貌" 主要填写参加了什么党派和群众团体, 未参加任何党派

xxxx学院团员推优入党推荐表 姓名|政治面貌|照片| 性别|所在团支部

随机推荐

tao 韬 黄子韬 ztao hzt swaggyt-ao 真正男子汉

画廊-画时中小学美术教学云平台

我在那里赌上了一切【灭亡】徐仁国

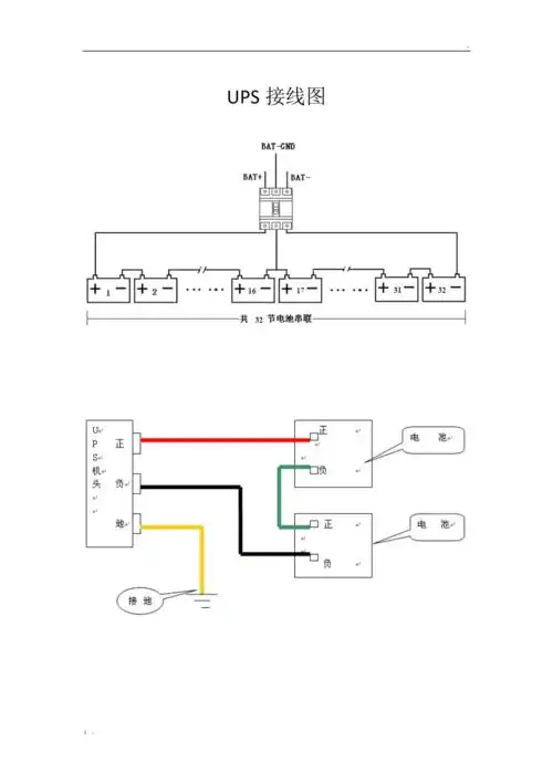
ups接线图与维修说明

gif动图素材库--微信公众号图文编辑,微博,自媒体人必备神器_美多微信

【"戏"迎新春年味浓】越剧尹派表演艺术家萧雅:传承和发扬戏曲文化是

正青春 电视剧

一个梳双螺旋马尾的黑发女孩,她手中拿着扑克牌,红色眼睛,齐刘海,指甲