官方认证isue2022中国校服设计大赛小学初中高中入围名单效果图揭晓

相关图片

服装制作 校服设计#专业的事交给专业的人 - 抖音

我的校服我做主——上饶市第五小学大队部举办校服设计评比活动

我的校服我做主——上饶市第五小学大队部举办校服设计评比活动

"校服可以更美哒",让我们一起挖掘设计图背后的故事吧!

班服设计校服设计图

随机推荐

组图:黄圣依嫩粉纱裙仙气儿十足 与老公热聊又与高层亲密咬耳_高清

简约小清新植物唯美微距摄影,高清图片,电脑桌面-壁纸族

你说,他每次靠在栏杆上都在想些什么呢?#肖战#人间理想 - 抖音

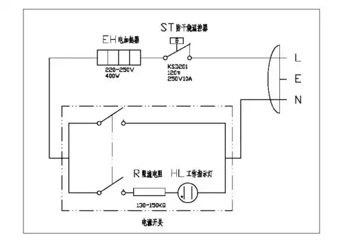
电热锅典型故障维修一例_文档下载

龚俊 || 温客行 || 月下摇扇入魂

女生头像高清背影,高清好看的头像背影女生图片

北京下一个"风水宝地"在哪里?请瞄准北中轴!

回顾宋佳和陈龙的感情经历,可以看到他们在异地恋中面临了许多困难和