控制电路实现顺序控制的电路图 - 2020年最新商品信息聚合专区 - 百度

相关图片

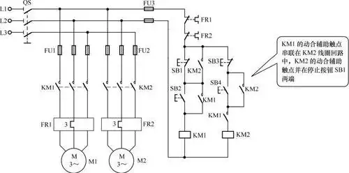
28例电气自动控制电路图,都是干货,快收藏吧!

带过载保护的连续与点动混合控制电路

自动往返控制线路

星三角降压启动的压缩机控制电路

5,自动往返控制电路原理图4,双重联锁正反转控制电路3,接触器控制的正

随机推荐

丝毫不受王梦婷事件影响郭德纲发文为郭麒麟庆生给你买了件蟒

魔道祖师图片电脑壁纸,魏无羡蓝忘机壁纸高清图集

【2024年德云社封箱】《于老师家的真事儿》郭德纲 于谦(春晚看相声)

西装暴徒男生头像

延禧攻略 嘉嫔 潘时七

就在人们还没有将她和前男友三年的感情纠葛理清楚的时候,陈意涵突然

杨超越旧照曝光,18岁当礼仪小姐清纯稚嫩,网友:从小美到大

第五人格:回不去的舞台,无法绽放的梦!瓦尔莱塔生日信件解读