5v继电器控制模块学习资料

相关图片

中间继电器时,应注意线圈的电流类型和电压水平应与控制电路相匹配

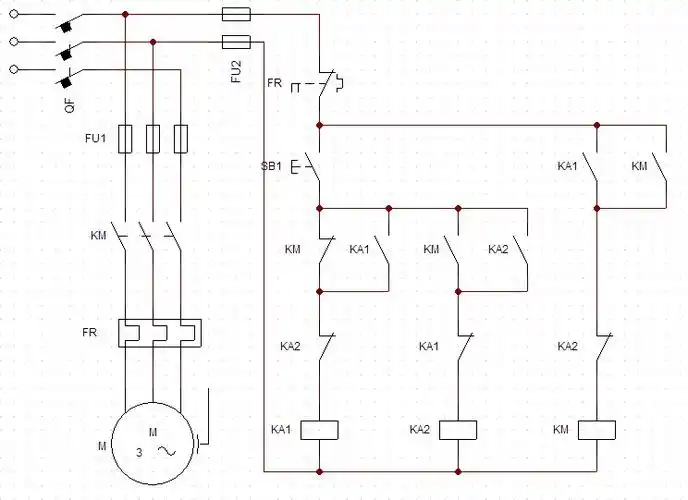
两个中间继电器,一个接触器.要求:按一下启动自保,再按一下停止

单片机控制3w220v灯,应该怎么选择继电器

继电器电路图

如图是电磁继电器的结构示意图,其工作电路由低压控制电路和高压工作

随机推荐

38岁孙俪换新发型也太甜了吧穿泡泡袖碎花裙清爽又减龄

唯美古典人物素材-古装美女图片壁纸5p

许凯- 堆糖,美图壁纸兴趣社区

十二星座

日本阪神大地震25周年:影像记录震后画面

汽车润滑油机油发动机活塞海报

日本_地铁_车站_夜晚_侧面视角_高清图片_全景视觉

叶国华撞脸捂嘴哭表情包# 建议大家都去给我看这一集的《梦中的那片