电动车充电器电路图

相关图片

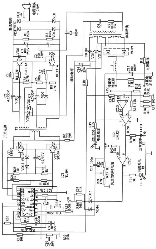
近日,就接修了一台雅迪64v电动车充电器,对其电路进行了实际测绘(见图

雅迪电动车充电器电路图(高标牌)

收集电动车充电器电路图30张,以备不时之需

收集电动车充电器电路图30张,以备不时之需

电动车 充电器电路图

随机推荐

行测图推经典题黑白块专题

qq美少女头像,女生头像图片-回车桌面

百度ai绘图黑科技#角色设计,可爱的安卓机器人,小野胜弘风格,虚幻

容祖儿澳门演唱会还有最后的余票,别错过!

ai还原山海经—应龙

网络直播乱象七宗罪色情暴力低俗拜金造谣炒作皆为流量

张子枫亮相《八角笼中》首映现场,王宝强和张子枫曾在《我的父亲是

远走高飞吉他谱 金志文 d调扫弦版高清弹唱谱