亿海供应lf-3/lf-11水平圆形管道二枕板焊接支架

相关图片

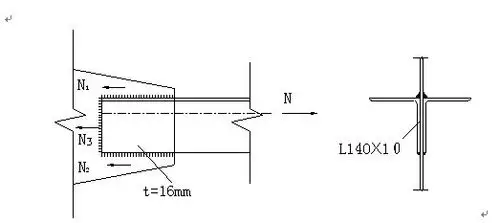
什么叫三面焊接 这个图什么意思 焊哪三个面?

杆件与节点板的连接焊缝宜采用两面侧焊,也可用三面围焊,对角钢杆件可

一步步教你画焊接图识焊接图doc12页

惰性气体保护焊的焊接位置有哪些

节点板厚16mm,构件承受静力荷载,产生的轴心拉力n=1000kn,用三面围焊

随机推荐

杨紫的面部分析

古诗-静夜思,福州市花兰1套颜栎玲小演员朗诵 颜栎玲:《静夜思》 唐

西方人,儿童,腿部,腿,三个人,家庭,夫妻,母亲,父亲,儿子,站,握手,横图

丰帆刻字13厘米耳模型耳朵模型耳部反射区按摩耳模型标准耳贴穴位

山河令纪念向双向奔赴爱有回音

刘宇超话#元气爱豆的日常#00最近看到有人说被鲨姐的头像萌到了

什么是胎方位示意图_有来医生

"肌无力"小伙 苦熬四年出诗文集