岳云鹏春晚这首歌,差点砸了所有歌手饭碗!专业竟干不过说相声的

相关图片

春晚上明星汇聚,各种歌曲层出不穷,这样的情况岳云鹏都能成功引起注意

2024央视春晚想看谁宋小宝岳云鹏被网友嫌弃这3位呼声最高

不是嘴瓢就是笑场,5年春晚屡次失误,岳云鹏为啥能成春晚宠儿?

春晚名场面 | 岳云鹏和孙越,两人的衣服就像一台双开门冰箱

不是嘴瓢就是笑场,5年春晚屡次失误,岳云鹏为啥能成春晚宠儿?

随机推荐

吸毒,嫖娼,破产,被甩?《第八号当铺》老板韩诺后来怎么样了?

赵露思头像

46岁黄晓明迎接2024!

情歌吉他谱(图片谱,和弦分解,弹唱,原版谱)_梁静茹(fish leong)_原版

860_1529竖版 竖屏

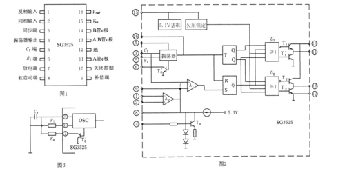
新一代开关电源芯片sg3525工作原理剖析

动漫女生头像

《只愿得着你》带歌词mp3原唱版