电动车充电器电路图

相关图片

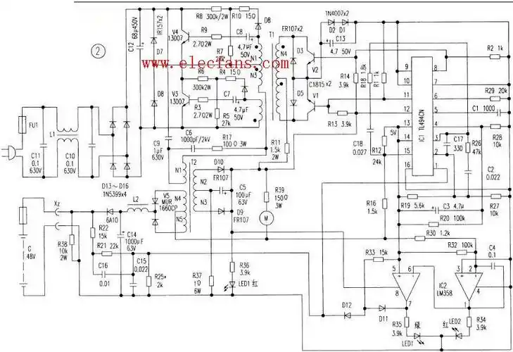
电路识图72电动车充电器电路原理详解

西普尔sp500-72v充电器原理图

常用电动车充电器三种电路

电动车充电器电路图

电动车充电器原理及带电路图维修

随机推荐

易烊千玺 阿玛尼##易烊千玺电影小小的我

林肯航海家_网易汽车

厂家定制 多层板桃花芯奥古曼包装三合板 奥古曼胶合板

高级感海景婚纱照~游艇婚纱照 熟悉的大兴义 里布满幸福都足迹 - 抖音

超幼超可爱的微信手绘闺蜜头像

《青岛往事》迎大结局 傅淼终获美满生活

49岁李健高调秀恩爱,与妻子孟小蓓首次高清正脸曝光,笑容灿烂|甜蜜

喻言_yuyan喻言_yuyan(合照下次见)08喻室出图08@喻言yuyan工作室